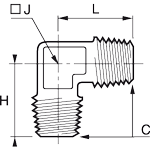
Equal male stud elbow
We use cookies and similar technologies to improve your experience on our website.
This website uses cookies and similar technologies. They are grouped into categories, which you can review and manage below. If you have accepted any non-essential cookies, you can change your preferences at any time in the settings.
These technologies are required to activate the core functionality of our website.
These technologies allow our website to remember your preferences and provide you with a more personalized experience.
These technologies enable us to analyse the use of our website in order to measure and improve performance.
These technologies are used by our marketing partners to show you personalized advertisements relevant to your interests.